指南经验网
首页
美食营养
生活百科
知识问答
生活知识
返回
指南经验网
首页
美食营养
游戏数码
手工爱好
生活知识
生活百科
健康养生
运动户外
职场理财
情感交际
母婴教育
时尚美容
知识问答
更多知识
搜索
DG1012函数/任意波形发生器使用说明书:[10]
2026-04-18 06:12:22
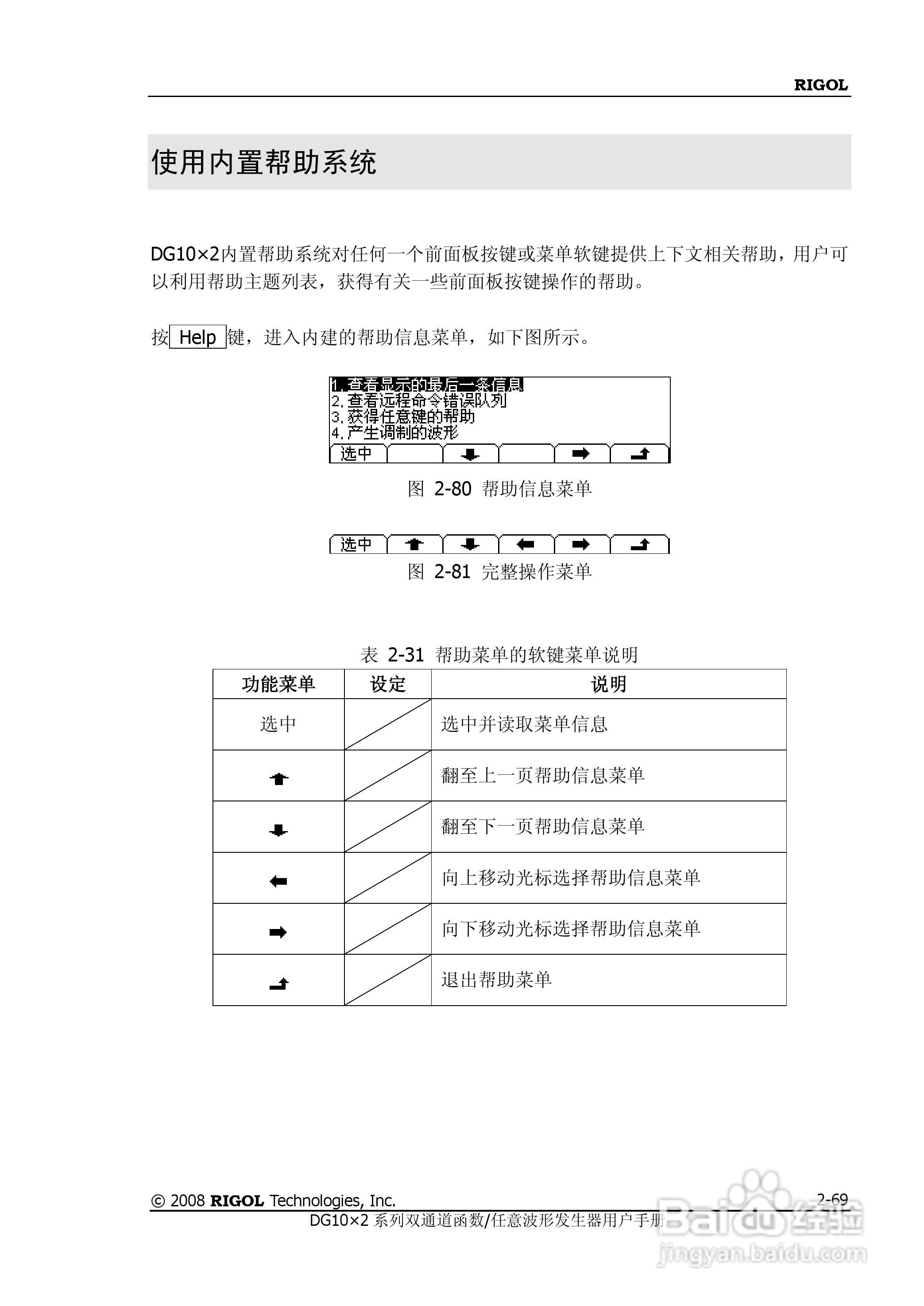
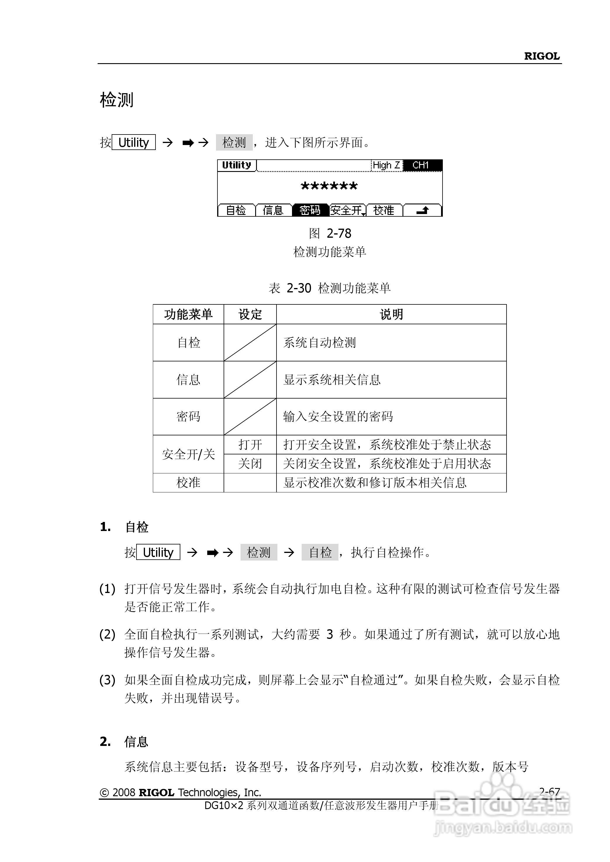
本篇为《DG1012函数/任意波形发生器使用说明书》,主要介绍该产品的使用方法以及常见故障解决方案。
(共篇)
上一篇:
|
下一篇:
相关推荐
DG1012函数/任意波形发生器使用说明书:[11]
阅读量:87
DG1012函数/任意波形发生器使用说明书:[8]
阅读量:31
使用说明书封面怎么做
阅读量:75
使用说明书wf2651使用指南
阅读量:179
DG1012函数/任意波形发生器使用说明书:[7]
阅读量:58
猜你喜欢
营业执照过期了怎么办
燃气灶打不着火原因和处理方法
龙虾的做法大全
二十道简单易做家常菜
怎么截音乐
长沙好吃的
炒西兰花怎么做好吃
好吃的火锅
h漫大全
小黄瓜的腌制方法
猜你喜欢
丰田塞纳怎么样
系鞋带的漂亮方法
苹果图片大全大图
生菜怎么做好吃
煤气灶打不着火原因和处理方法
长高增高的方法
成语接龙大全
词语大全
妇科炎症怎么治
字谜大全及答案100个