电磁学仪器实验常用的电源有哪些?
1、实验室里面,最常见电源就是直流电源,通常有干电池和晶体管稳压电源两种。

2、干电池两端电压都是1.5伏的,按照电流不同,分为不同大小型号,比如:5号电池是0.01安培的额定电流

3、2号电池是0.05安培的额定电流,个头比5号电池大了一倍以上,如下图所示:

4、1号电池是0.1安培的额定电流,个头比2号电池还要大一些:

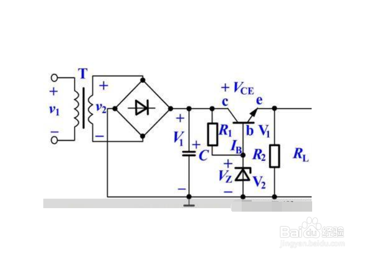
5、而晶体管稳压电源稳定性极好,输出电流和电压都是连续可调节的,电压高的可以到15V,电流高的可以达到5A。

6、还有一种是交流电源,是电网变压器直接过来的220伏特交流电,220伏特是有效值,做实验的时候一定要注意不要短路,否则很容易出事故。

阅读量:171
阅读量:117
阅读量:139
阅读量:94
阅读量:64