指南经验网
首页
美食营养
生活百科
知识问答
生活知识
返回
指南经验网
首页
美食营养
游戏数码
手工爱好
生活知识
生活百科
健康养生
运动户外
职场理财
情感交际
母婴教育
时尚美容
知识问答
更多知识
搜索
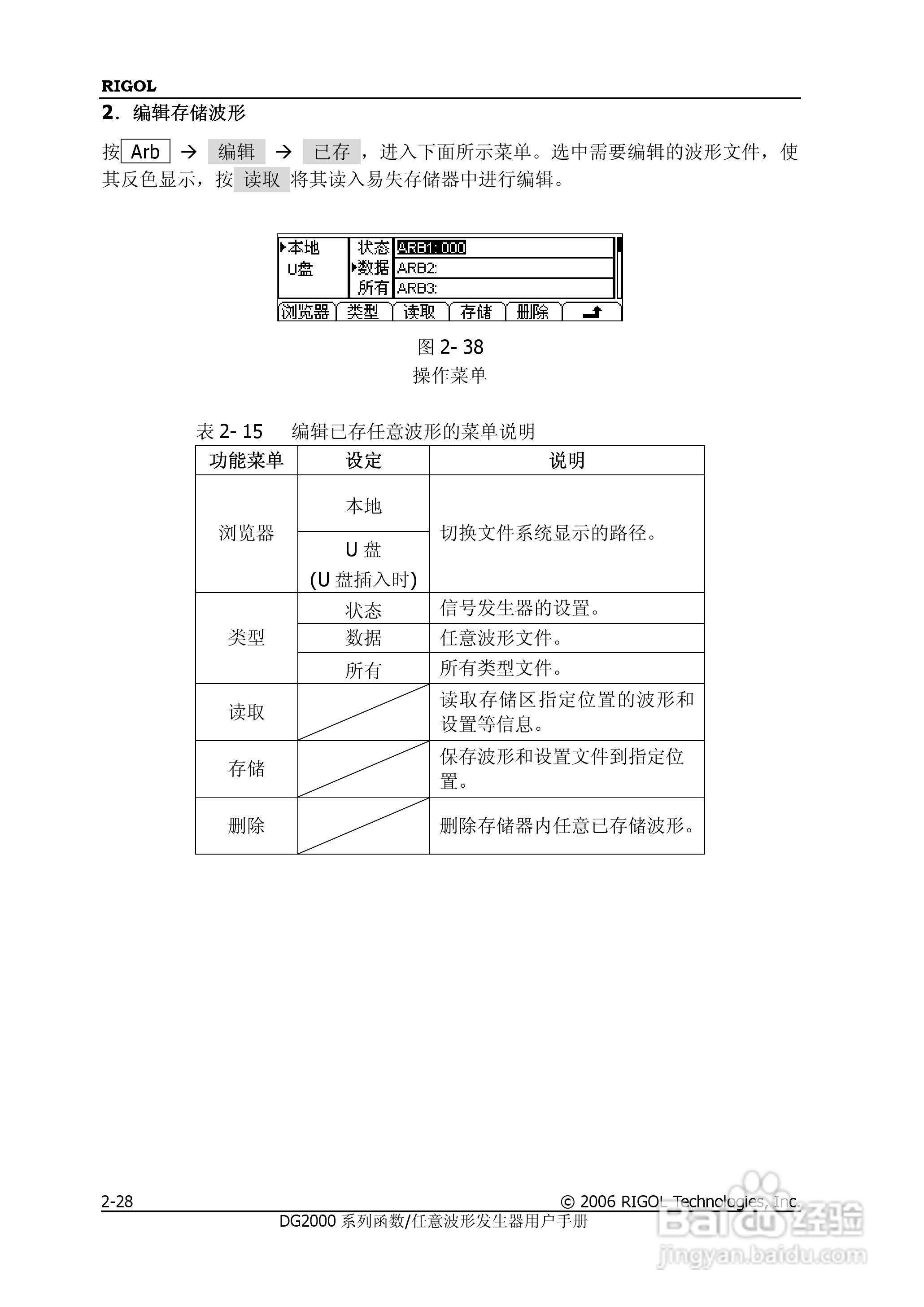
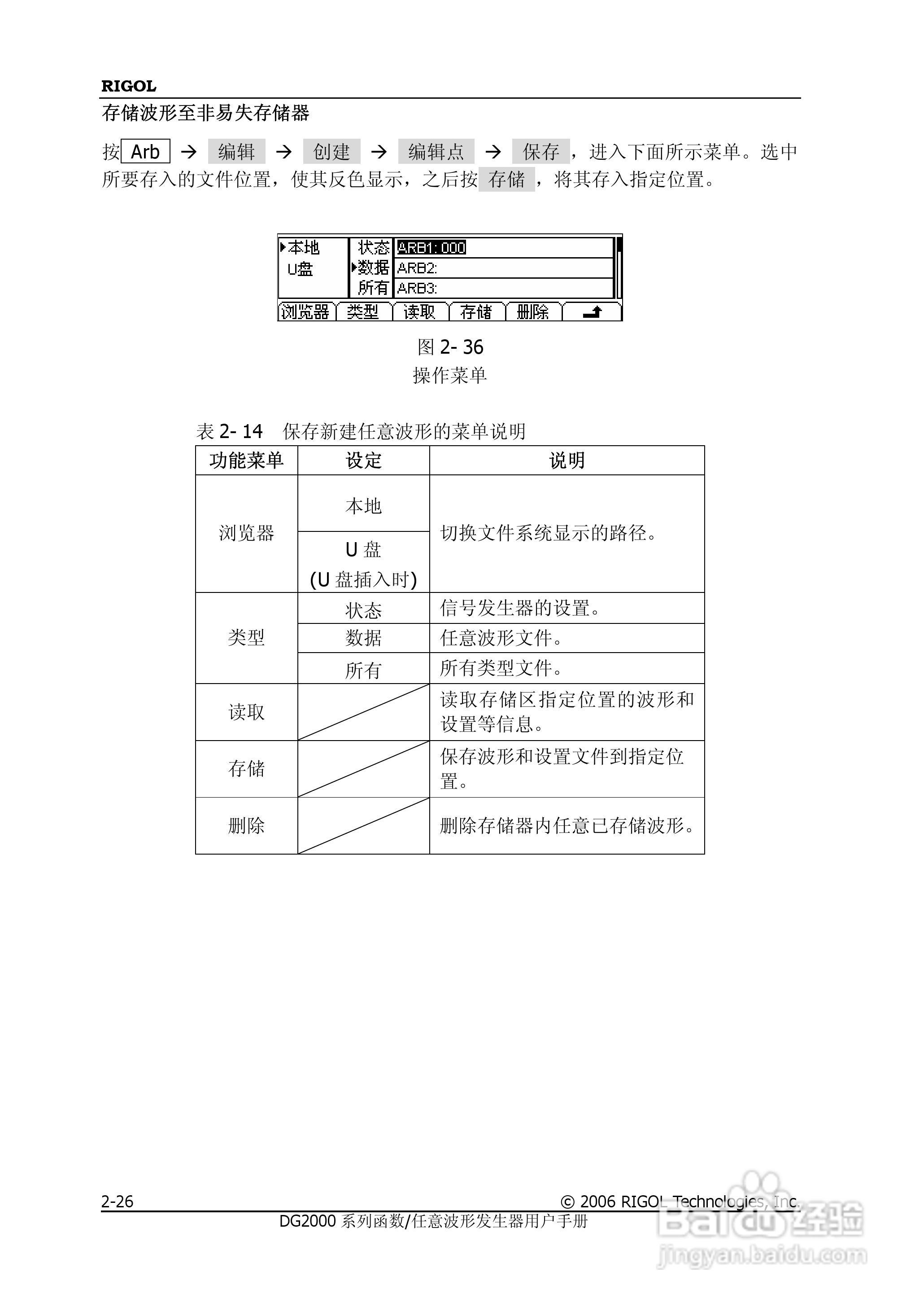
DG2021A函数/任意波形发生器使用说明书:[6]
2026-04-18 23:33:56
本篇为《DG2021A函数/任意波形发生器使用说明书》,主要介绍该产品的使用方法以及常见故障解决方案。
(共篇)
上一篇:
|
下一篇:
相关推荐
DG2021A函数/任意波形发生器使用说明书:[16]
阅读量:147
使用说明书wf2651使用指南
阅读量:43
使用说明书封面怎么做
阅读量:65
DG2021A函数/任意波形发生器使用说明书:[12]
阅读量:146
DG2021A函数/任意波形发生器使用说明书:[11]
阅读量:36
猜你喜欢
魔兽世界诺森德怎么去
肩宽怎么测量
rtf文件怎么打开
血压高头疼怎么办
亲属关系证明怎么开
怎么测试怀孕
重婚罪怎么判
怎么唱好歌
电脑硬盘怎么分区
我爱你用日语怎么写
猜你喜欢
辞职信怎么写最简单
猫和路由器怎么连接
澳门航空怎么样
泰康保险怎么样
中秋节是怎么来的
鼻头太大怎么办
yy怎么用
平安信用卡怎么样
西南石油大学怎么样
香港航空怎么样