指南经验网
首页
美食营养
生活百科
知识问答
生活知识
返回
指南经验网
首页
美食营养
游戏数码
手工爱好
生活知识
生活百科
健康养生
运动户外
职场理财
情感交际
母婴教育
时尚美容
知识问答
更多知识
搜索
ADT-8933 三轴运动+激光雕刻打标控制卡说明书:[1]
2026-04-14 17:59:27
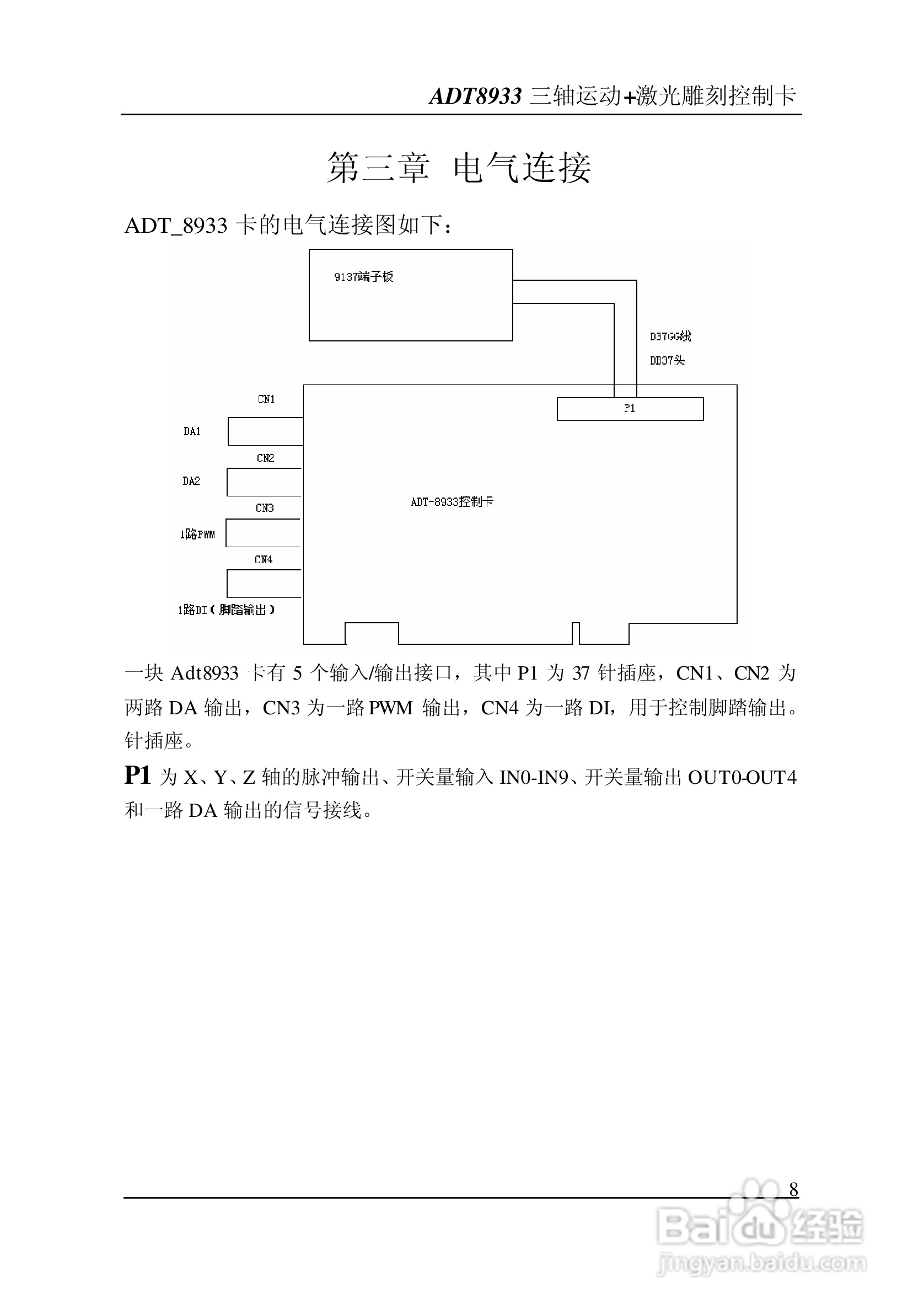
本篇为《ADT-8933 三轴运动+激光雕刻打标控制卡说明书》,主要介绍该产品的使用方法以及常见故障解决方案。
(共篇)
下一篇:
相关推荐
ADT-8933 三轴运动+激光雕刻打标控制卡说明书:[8]
阅读量:156
激光雕刻设备专业知识
阅读量:141
激光雕刻机常见故障及解决方法
阅读量:50
激光雕刻机调焦方法
阅读量:66
激光雕刻机通电后不工作的具体检查和解决方法
阅读量:138
猜你喜欢
舌头有齿痕是怎么回事
掉发怎么办
怎么注册邮箱帐号
万花筒怎么做
怎么删除分隔符
惠州学院怎么样
口红怎么涂
眼压高是怎么回事
我的世界剑怎么做
怎么解压
猜你喜欢
胎心监测怎么看
平方根怎么算
种子怎么打开
烙饼怎么做
有头皮屑怎么办
中国怎么了
庹字怎么读
我的世界打不开怎么办
头发越来越少怎么办
小肚子痛是怎么回事