指南经验网
首页
美食营养
生活百科
知识问答
生活知识
返回
指南经验网
首页
美食营养
游戏数码
手工爱好
生活知识
生活百科
健康养生
运动户外
职场理财
情感交际
母婴教育
时尚美容
知识问答
更多知识
搜索
紫光DCAP-5088E区域功率联切控制装置使用说明书:[3]
2026-04-17 01:26:58
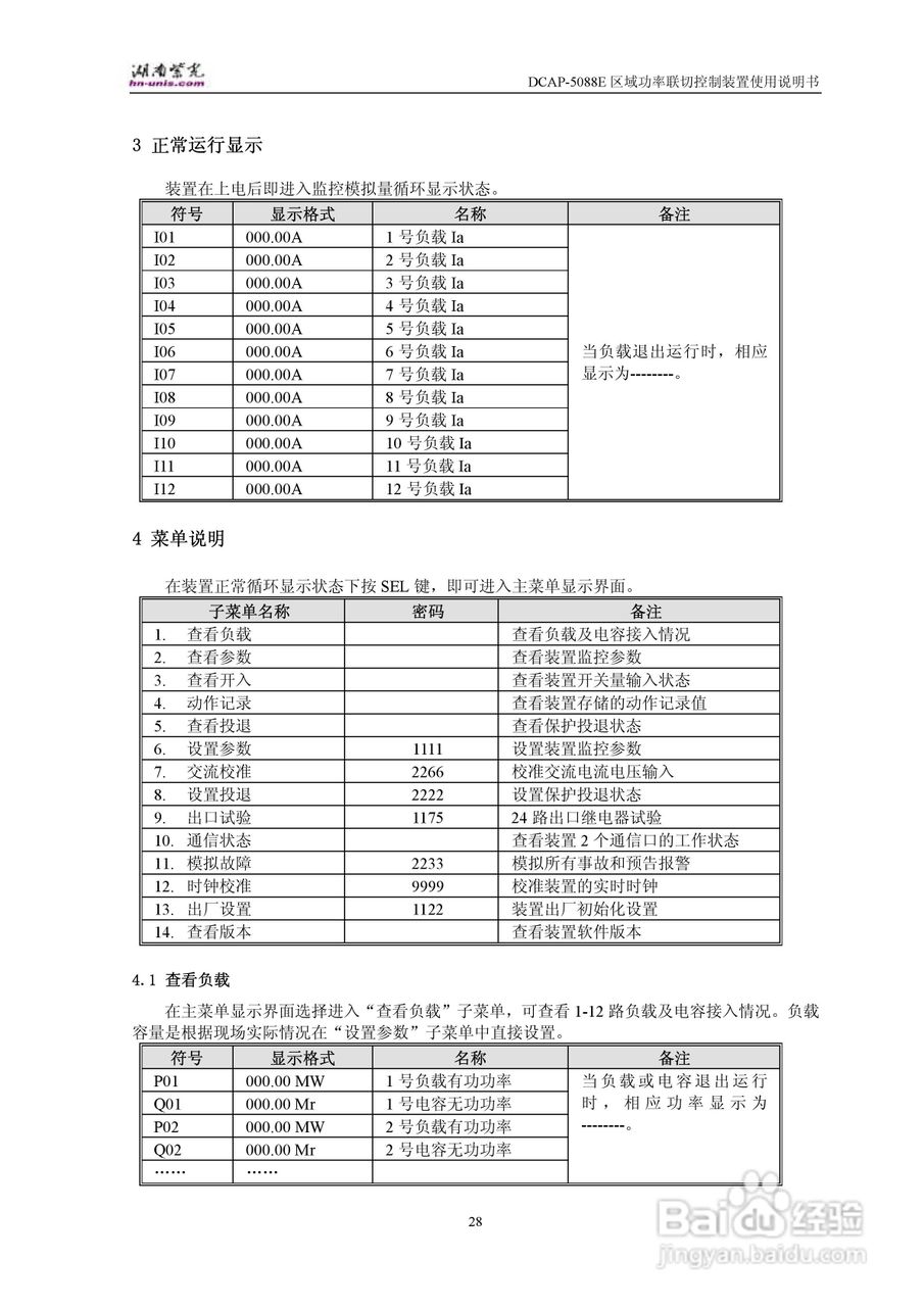
本篇为《紫光DCAP-5088E区域功率联切控制装置使用说明书》,主要介绍该产品的使用方法以及常见故障解决方案。
(共篇)
上一篇:
|
下一篇:
相关推荐
紫光DCAP-5088I变压器过负荷联切装置使用说明书:[3]
阅读量:81
紫光DCAP-5088I变压器过负荷联切装置使用说明书:[2]
阅读量:187
紫光DCAP-5088I变压器过负荷联切装置使用说明书:[1]
阅读量:85
紫光DCAP-3005自闭贯通监控保护装置使用说明书:[3]
阅读量:174
紫光DCAP-5230综合测控装置使用说明书:[1]
阅读量:90
猜你喜欢
三叉神经哪里治
华为麦芒4怎么样
如何销售
excel平方怎么打
如何写小说
红旗渠旅游
青岛旅游景点大全介绍
如何瘦腿
如何戒赌
胸罩英文怎么说
猜你喜欢
拇外翻如何治疗
如何画眼线
钱咖怎么赚钱
小米手机如何截屏
保安在哪里
如何说孩子才会听
朋友圈文案
如何备课
如何缓解胃痛
如何学粤语